期刊VIP學術指導 符合學術規范和道德
保障品質 保證專業,沒有后顧之憂
摘要:本文從沉井施工方法進行論述,提出了沉井在深基坑中施工的方法,并在某地下室工程中實際進行了施工研究,達到了基坑施工質量及安全保障的效果,解決了“坑中坑”施工困難的難題。
關鍵詞:沉井,坑中坑,應用
1基坑及沉井簡介
1.1基坑支護形式為基坑西段采用放坡和排樁和鋼筋混凝土支撐支護,“坑中坑”部分采用沉井和鋼管支撐支護,其余均采用放坡開挖,基坑支護安全等級為二級。
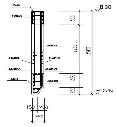
1.2自然地面的絕對標高平均為3.80,±0.00對應的絕對標高為5.00。
1.3鋼管和鋼板等鋼材為Q235B,焊條型號為E43型,除注明外,連接焊縫均為連續角焊縫,焊縫高度為10mm。
1.4基坑開挖底標高為-8.9m,“坑中坑”開挖底標高為-12.4m。
1.5沉井高度為3.5m,其頂面標高為-8.9m,刃腳底標高為-12.4m,沉井的埋置深度為3.5m,混凝土等級C25。

2工程地質狀況簡介

3沉井的主要施工方法選擇
沉井是用于深基礎和地下構筑物施工的一種工藝技術,其原理是:在地面上或地坑內,先制作開口的鋼筋混凝土筒身,待筒身混凝土達到一定強度后,在井內挖土使土體逐漸降低,沉井筒身依靠自重克服其與土壁之間的摩阻力,不斷下沉直至設計標高,然后經就位校正后再進行封底處理。
沉井方法有多種選擇,如:排水下沉和不排水下沉;一次制作、一次下沉和分節制作、分節下沉等。根據本工程的特點和設計的具體要求,沉井的主要施工方法將作以下選擇:
3.1沉井方法:采用排水下沉和干封底的工藝技術
根據對擬建場地的土層特征、地下水位及施工條件的綜合分析,設計要求本工程的沉井采用排水下沉和干封底的施工方法。
該方法可以在干燥的條件施工,挖土方便,容易控制均衡下沉,土層中的障礙物便于發現和清除,井筒下沉時一旦發生傾斜也容易糾正,而且封底的質量也可得到保證。
3.2降水方法:井外真空深井泵與井內明排水相結合
采用排水下沉和干封底的施工技術,關鍵是選擇合理可行的降水方法,使降水效果滿足排水下沉的技術要求。根據本工程的沉井施工特點分析,可供選擇的井外降水方法主要有兩級輕型井點降水、噴射井點降水及真空深井泵降水等。
經對上述方法的比較與論證,采用井外真空深井泵與井內明排水相結合的降水方法。與其他降水方法相比,采用該方法降水不但施工方便、降水效果好,而且能有效防止含砂性粘土層可能發生的流砂或管涌等不良現象發生,以此保證沉井施工的安全和順利進行。
3.3制作與下沉方法:一次制作、一次下沉
沉井施工的一般方法為:一次制作、一次下沉;分節制作、一次下沉;多節制作、分節下沉(制作與下沉交替進行)。根據本工程的特點與設計要求,對沉井應采用一次制作、一次下沉的方法。
3.4沉井底部地基加固方法:20cm厚C25素混凝土墊層
本工程的沉井持力層處在含砂性粘土層。該層土體濕度達到飽和,為硬塑,屬高壓縮性,承載強度較高,但易發生流砂或管涌等不良現象。針對這一不利的地質情況,下沉達到標高后,對刃腳部位進行封堵,地面澆筑20厚C25素混凝土封底,防止或減少滲透和不均勻的沉降。
4沉井下沉方法與技術措施
4.1沉井下沉的作業順序安排
下沉準備工作 → 設置垂直運輸機械設備 → 挖土下沉 → 井內外排水、降水 → 邊下沉邊觀測 → 糾偏措施 → 沉至設計標高 → 核對標高、觀測沉降穩定情況 → 井底設盲溝、集水井 → 鋪設井內封底墊層 → 底板防水處理 → 底板鋼筋施工與隱蔽工程驗收 → 底板混凝土澆筑
4.2沉井下沉驗算
沉井下沉時,必須克服井壁與土間的摩阻力和地層對刃腳的反力,其比值稱為下沉系數K,一般應不小于1.15~1.25。
沉井下沉系數的驗算公式為:K=(Q-B)/(T+R)
式中:K——下沉安全系數,一般應大于1.15~1.25
Q——沉井自重及附加荷載(kN)
B——被井壁排出的水量(kN),如采取排水下沉法時,B=0
T——沉井與土間的摩阻力(kN),T=πD(H-2.5)•f
D——沉井外徑(m)
H——沉井全高(m)
f——井壁與土間的摩阻系數(KPa),由地質資料提供
R——刃腳反力(kN),如將刃腳底部及斜面的土方挖空,
則R=0
本工程沉井的驗算的條件為:
沉井尺寸為:13.2×13.2m
沉井全高3.5m,自重為51.6×0.35×3.5×25+0.64×37=1603.93kN
井壁摩阻系數為:15KPa。
第一節沉井下沉系數驗算:
K=1603.93/[51.6×(3.5-2.5)×15] = 2.07
沉井的下沉系數滿足安全驗算要求。
4.3沉井封底后的抗浮穩定性驗算
沉井封底后,整個沉井受到被排除地下水向上浮力的作用,如沉井自重不足于平衡地下水的浮力,沉井的安全性會受到影響。為此,沉井封底后應進行抗浮穩定性驗算。
抗浮穩定性計算公式為:
K = (G+T)/F≥1.1
式中:G——沉井自重力(kN)
T——沉井與土間的摩阻力(kN),T=πD(H-2.5)•f
F——地下水向上的浮力(kN)
驗算條件:
沉井自重為井壁和封底混凝土重量:1603.93+635.04=2238.97 kN
地下水向上浮力: 因基坑支護采用止水帷幕,經實測基坑內水位-10.6m,水深按1.8m考慮,則F =1.8×13.2×10×13.2 =3136.32 kN
K =(2238.97+774)/3136.32 =0.96
根據上述計算可知,沉井封底后如停止降水,沉井自重不能抵抗地下水的浮力,必須在沉井封底后,井外的深井降水與井內的集水井排水繼續進行,直到沉井內部結構和上部結構完成后再停止,確保施工安全。
5應急處理方案
5.1沉井過沉
5.1.1現象:下沉達到設計標高后繼續下沉,難以控制。
5.1.2原因分析:因該持力層承載力較好,可能原因為長期抽水或因砂的流動,使井壁與土的摩阻力下降,沉井外部土體出現液化。
5.1.3處理方案:發現下沉過快,可重新調整挖土,在刃腳下不挖或部分不挖土;可用木垛在定位墊架處給以支承,以減緩下沉速度;如沉井外部土液化出現虛坑時,可填碎石處理。
5.2瞬間突沉
5.2.1現象:沉井在瞬時間內失去控制,下沉量很大,或很快,出現突沉或急劇下沉,嚴重時往往使沉井產生較大的傾斜或使周圍地面塌陷。
5.2.2原因分析:在淤泥層中,沉井側面摩阻力很小,當沉井內挖土較深,或刃腳下土層掏空過多,使沉井失去支撐,常導致突然大量下沉,或急劇下沉;沉井下遇有含砂層,由于動水壓力的作用,向井筒內大量涌砂,產生流砂現象,而造成急劇下沉。
5.2.3處理方案:在粘土層中嚴格控制挖土深度(一般為40cm)不能太多,不使挖土超過刃腳,可避免出現深的鍋底將刃腳掏空,有砂層時,防止把砂層吸空;控制排水高差和深度,減小動水壓力,使其不能產生流砂或隆起現象;加強操作控制,嚴格按次序均勻挖土,避免在刃腳部位過多掏空,或挖土過深。
6使用效果及結論
6.1 使用效果
本沉井工程,自工程開始施工至沉井施工完畢,整個施工過程中,沉井下沉穩定,施工過程中未出現沉井大幅度下沉,沉井施工完畢至上部結構施工完成,沉井未出現明顯沉降或上浮,外部基坑未受影響,效果較好。
6.2 結論
6.2.1施工中,沉井四周深井井點降水深度需嚴格驗算,以防止開挖過程中出現管涌等狀況。
6.2.2沉井施工在開挖過程中,需四周同時開挖,避免單獨挖一面,引起意外傾斜,同時開挖沉井時,沉降觀測隨時進行,以控制下沉速度及下沉深度。
6.2.3沉井抗浮穩定性需嚴格驗算,如不能通過,則降水作業不能中斷,直至內部結構施工完成,自重加大滿足抗浮。
6.2.4沉井施工完畢至上部結構施工完成中沉降觀測不能中斷,同時做好應急措施。
參考文獻:
[1] 建筑施工計算手冊 第三版 北京 中國建筑工業出版社 1998